|
||
全部產品分類
|
||
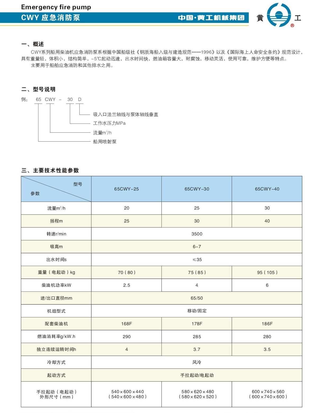
| CWY應急消防泵 | |||
| 流量: | 30m3/h | 揚程: | 30m |
| 吸高: | 6-7m | 出水時間: | ≤35s |



| -供應商聯系方式- | |||||
|
|
公司名稱: | 上海黃工液壓機械有限公司 |
|
聯系人姓名: | 陳丹娥 女士(銷售部 總經理) |
| 公司地址: | 上海市江寧路星海大廈1251-3號5C | 聯系人電話: | 86-021-62989821 | ||
| 聯系人郵箱: | huang-gong@huang-gong.com | ||||