|
||
全部產品分類
|
||



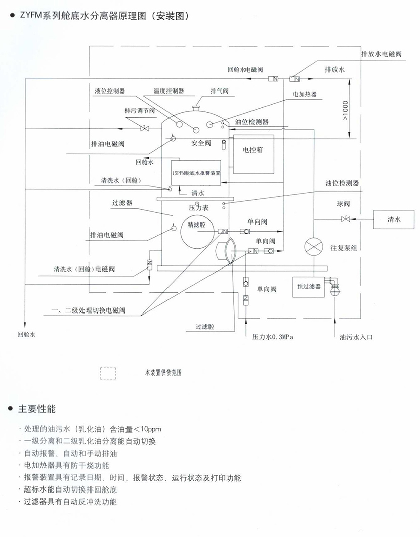
| 艙底水分離器 | |||
| 處理量: | 2m3/h | 尺寸: | 1010x855x1680mm(長×寬×高) |
| 重量: | 500kg | 排放標準: | ≤15PPM |
| 工作壓力: | 0.16MPa | 泵型號: | DZ-2 |
| 電制: | AC380V/50HZ或440V/60HZ | 排油方式: | 自動或手動 |
| 泵吸入高度: | ≤6m | 過濾器出艙水管徑: | 1 1/4" |
| 過濾器回艙水管徑: | 1 1/4" | 過濾器反沖洗回倉水管徑: | 1 1/2" |
| 過濾器反沖洗水管徑: | 1" | 泵入口管徑: | 1 1/2" |
| 泵功率: | 0.75kw | 電機功率: | 2kW |


| -供應商聯系方式- | |||||
|
|
公司名稱: | 江蘇友幫船用設備有限公司 |
|
聯系人姓名: | 任新智 |
| 公司地址: | 江蘇泰興市南三環西路485號 | 聯系人電話: | 18796773797 , 0523-87660185 | ||
| 聯系人郵箱: | jsyb@js-youbang.com | ||||