|   | ||
|   全部產品分類
 | ||
 
                             
                        
 
                            
                
 
                    
                
 
                    
                 
                         
                         
                         
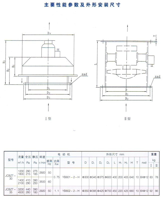
            | JCBZT系列艦船用防爆(無火花)軸流通風機 | |||
| 風量: | 30000m3/h | 轉速: | 1460rpm | 
| 靜壓: | 300 Pa | 電機頻率: | 50 Hz | 
| 全壓: | 470 Pa | 電機功率: | 7.5kW | 
 
        



 
        | -供應商聯系方式- | |||||
|   | 公司名稱: | 靖江市國利空調制造有限公司 |   | 聯系人姓名: | 錢麗美 | 
| 公司地址: | 靖江市城北園區長新路8號 | 聯系人電話: | 0523-84800546/13775714648 | ||
| 聯系人郵箱: | yangnie168@163.com | ||||